配件供应中心珀金斯Perkins 柴油发电机组2871 A145交流发电机T4.20_珀金斯发动机配件_配件供应中心_产品中心_厦门永新昌机械设备有限公司
珀金斯Perkins 柴油发电机组2871 A145交流发电机T4.20

珀金斯Perkins 柴油发电机组2871 A145交流发电机T4.20_珀金斯发动机配件_配件供应中心_产品中心_厦门永新昌机械设备有限公司

当前分类:配件供应中心关键词
产品信息

威尔逊信珀金斯柴油发电机组2871 A145交流发电机 T4.20

项目 零配件号码 最近的部分号码

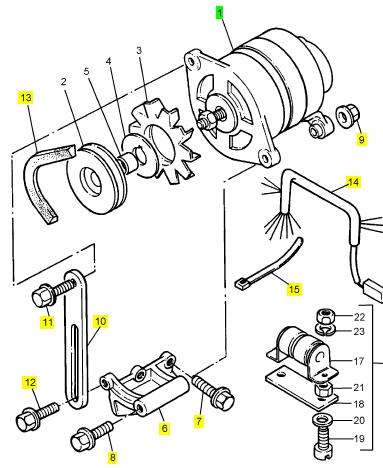
1 2871 A145 1 2871 A145 交流发电机

6 L826HF01 1 L826HF01 托架

7 2314 J004 3 2314 J004 螺旋

8 2314 H021 1 2314 H021 螺旋

9 2318 A603 1 2318 A603 螺帽

10 36155155 1 36155155 杆

11 2314 H003 1 2314 H003 螺旋

12 2314 H003 1 2314 H003 螺旋

13 2614 A028 1 2614 A028 带

14 4172 H012 1 4172 H012 线束

15 2817154 4 2817154 拉杆

16 4173 A001 1 4173 A001 熔断丝

24 2131 A008 1 2131 A008 垫圈

Item Parts No. Qty. Latest Part No. Description Cut Out Cut In Comment

17 PF65133 1 4173A001 FUSE

18 3684U003 1 3684U003 STRIP

19 2163745 2 2163745 SCREW

20 2131109 2 2131109 WASHER

21 2168519 2 2168519 NUT

22 2168519 2 2168519 NUT

23 0920052 2 0920052 WASHER

2 1 PULLEY

2 2871W005 1 2871W005 ALTERNATOR PULLEY

3 1 FAN

2 28710263 1 28710263 COVER

3 28710264 1 28710264 REGULATOR

4 28710265 1 28710265 RECTIFIER

5 28710266 1 28710266 BOX

6 28710267 2 28710267 BRUSH

7 28710268 1 28710268 PROTECTOR

8 28710269 2 28710269 CAPACITOR

9 28710270 3 28710270 BOLT

10 28710271 1 28710271 BRACKET

11 28710272 1 28710272 STATOR

12 28710273 1 28710273 ROTOR - ELECTRIC REPAIR

13 28710274 1 28710274 RING

14 28710275 1 28710275 BALL BEARING

15 28710276 1 28710276 BRACKET

16 28710277 1 28710277 BALL BEARING

17 28710278 1 28710278 SUNDRY KIT

18 28710279 1 28710279 CLIP

19 28710280 1 28710280 FAN

珀金斯柴油机配件批发2488 A401水泵

项目 零配件号码 最近的部分号码

1 2488 A401 1 2488 A401 水泵

2 2314 F006 4 2314 F006 螺旋

3 3381 D004 1 3381 D004 密合垫

4 3344 A014 1 3344 A014 承接器

5 3751 C071 1 3751 C071 托架

6 2314 H006 3 2314 H006 螺拴

7 3272 X001 1 3272 X001 承接器

8 2311 D038 3 2311 D038 螺旋

9 34821112 1 34821112 连接

10 2481886 1 2481886 夹

11 2481886 1 2481886 夹

项目 零配件号码 最近的部分号码

1 1 水泵

13 24880452 1 24880452 动叶轮

项目 零配件号码 最近的部分号码

2 24880187 1 24880187 体

3 24880188 1 24880188 桥

4 24880183 1 24880183 滚珠桥承

5 24880182 1 24880182 垫圈

6 24880182 1 24880182 垫圈

7 24880183 1 24880183 滚珠桥承

8 24880184 1 24880184 密封 -桥

9 24880185 1 24880185 密封 - O 的圈

10 24880186 1 24880186 间隔器

11 24880184 1 24880184 密封 -桥

12 24880108 1 24880108 板

13 0460038 1 0460038 动叶轮

14 24880181 1 24880181 电脑辅助制造

15 0730110 1 0730110 栓塞

16 24880189 1 24880189 盖

17 0490785 1 0490785 密合垫 - 水的泵

18 0720866 6 0720866 螺旋

19 0720688 1 0720688 螺旋

20 24880180 1 24880180 修理装备 - 水的泵

适用机型:XG560S-DT2(CCCD6), 其他

购买配件须知:

1、购买前请确认零部件型号、技术参数、编码、适用机型。因批次不同或存在零部件差异,请以实物为准。

2、为选购正确的零部件,可以通过对比现场零部件和本网站所展示的是否一致,来确保购买到准确的零部件。

3、本网站目前暂未上架全部机型的零部件,如在网站中未查询到的零部件,可在网站留言说明,或拨打免费电话0592-5806900咨询。